CRT COLOUR TV SCHEMATIC DIAGRAM datasheet, cross reference, circuit and application notes in pdf format. 21 Oct 2014 — 21K77 - TCL CRT TV - SCHEMATIC [Circuit Diagram). USED SEMICONDUCTORS: TEA1533_SK3115_2SC5885_STV93028. Universal Remote Control Set-up code ...
Tcl Crt Tv Circuit Diagram FULL Version HD Quality Circuit Diagram - FEYNMANDIAGRAM.CASALE-GIANCESARE.IT. Read Or Download Crt Tv For FREE Circuit Diagram ...

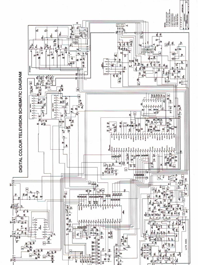
Crt tv diagram
How does television (TV) work? - Explain that Stuff
14 Inch CHINA Multi Colour TV Circuit Diagram | PDF
Hum tech electronics - 14â inch China Television with high ...
8873 ic china tv kit diagram download
Basic CRT TV Application Schematic | Switched mode power ...
Download æ°åâdiagram images for free
Crt tv eeprom error please help me and where i will find the ...
Black/white crt tv circuit : r/electronics
What is the function of "Picture tube charger"? - Electrical ...
electronics repair made easy: Understanding the CRT ...
CRT TV NOT TURNING ON - Electrical Engineering Stack Exchange
crt tv schematic diagram | Electronics Repair And Technology News
Electro help: 21K77 - TCL CRT TV - SCHEMATIC [Circuit Diagram)
Basic B&W TV Repair Guide - Radios-TV
7 most common problems with CRT TV and their possible ...
Switching power suplly for color television circuit ...
Sharp TV ( Chassis GA-1AM ) Eboard: DUNTKB508WE
Read Crt tv schematic diagram for beginners. - YouTube
Sign in | Circuit diagram, Electrical circuit diagram ...
Philips 1417-TX CRT TV - On Demand PDF Download | English
Electro help: Thomson TX807 CRT TV â Circuit diagram
What is CRT (Cathode Ray Tube)? definition, block diagram and ...
Television Horizontal Deflection Circuit | Horizontal Output ...
15 Crt tv ideas in 2021 | crt tv, tv, schematic drawing
Electro help: SCHEMATIC â Sanyo CM29FS2 â CRT TV - Voltage Chart
File:TV-block-diagram.svg - Wikipedia
Electronic Circuit Diagram TV CRT board RGB Colour Using TR ...
Download China TV Kit Diagram Free for Android - China TV Kit ...
electronics repair made easy: How to troubleshoot CRT ...
crt monitor block diagram | Electronics Repair And Technology ...
analyze electronic equipment
SAMSUNG ULTRA SLIM COLOR TV CIRCUIT DIAGRAM
China TV Kit Diagram APK Download 2022 - Free - 9Apps
160 W CRT TV Power Supply Reference Design
Electro help: KONKA - KP2962 - CRT TV - SCHEMATIC - {LV 116N ...
tcl 2580fl TV power supply circuit diagram ...
JVC AV-29W33/T SCHEMATIC DIAGRAMS Pdf Download | ManualsLib
Transient current signals for the CRT television. | Download ...
Comments
Post a Comment