Skip to main content

40 troy bilt bronco wiring diagram

13WX78KS011 - Troy-Bilt Bronco Lawn Tractor (2012) Parts ... 13WX78KS011 - Troy-Bilt Bronco Lawn Tractor ... 13WX78KS011 - Troy-Bilt Bronco Lawn Tractor (2012) > Parts Diagrams (10) Hide .Quick Reference. Drive & Rear Wheels. Engine Accessories. Frame & PTO Lift. Hood & Grille. Label Map. Mower Deck. Seat & Fender. Steering & Front Axle. Transmission Assembly. Attachments For This Model (6) Hide . Troy Bilt 13WV78KS011 Bronco (2015) Parts Diagram for ... Troy Bilt 13WV78KS011 Bronco (2015) Parts Diagram for Wiring Schematic JACKS SMALL ENGINES HAS JOINED THE NORTHERN TOOL FAMILY! Learn More » Order Status Get Support 1-877-737-2787 Hours of Operation M-F 9AM-6PM ET Sat 9AM-5PM ET Contact Us » Name Guest Sign In Sign Up 0 Shopping Cart 3+ Million Parts 365 Day Returns Fast 2-4 Day Shipping

13WX78KS011 - Troy-Bilt Bronco Lawn Tractor (2011) Parts ... Repair parts and diagrams for 13WX78KS011 - Troy-Bilt Bronco Lawn Tractor (2011) The Right Parts, Shipped Fast! ... 13WX78KS011 - Troy-Bilt Bronco Lawn Tractor (2011) > Parts Diagrams (11) Hide .Quick Reference. Drive & Transmission. Electrical Schematic. Engine Accessories.

Troy bilt bronco wiring diagram

Troy bilt bronco wiring diagram

Troy Bilt Bronco Riding Mower Belt Diagram Step 1: Turn the mower off and make sure . Need to fix your 13WX78KS (Bronco) () Lawn Tractor? We have parts, diagrams, accessories and repair advice to make your tool repairs easy. Place the new belt over the sheaves (pulleys and tensioners) according to your mower's routing diagram. Begin with the placing the belt over the engine pulley. Troy Bilt 13Wv78Ks011 Bronco (2015) Parts Diagram For ... There are two things which are going to be present in any Troy Bilt Bronco Wiring Diagram. The first element is symbol that indicate electrical component in the circuit. A circuit is generally composed by several components. The other thing which you will get a circuit diagram could be traces. Tiller Wiring Diagram | Wiring Diagram - Troy Bilt Bronco ... Troy Bilt 13Wv78Ks011 Bronco (2015) Parts Diagram For Wiring Schematic - Troy Bilt Bronco Wiring Diagram Wiring Diagram includes several in depth illustrations that display the link of varied things. It consists of directions and diagrams for different kinds of wiring techniques as well as other products like lights, home windows, and so on.

Troy bilt bronco wiring diagram. Troy Bilt 13YX78KS011 Bronco (2013) Parts Diagrams Troy Bilt 13YX78KS011 Bronco (2013) Parts Diagrams JACKS SMALL ENGINES HAS JOINED THE NORTHERN TOOL FAMILY! Learn More » Order Status Get Support 1-877-737-2787 Hours of Operation M-F 9AM-6PM ET Sat 9AM-5PM ET Contact Us » Name Guest Sign In Sign Up 0 Shopping Cart 3+ Million Parts 365 Day Returns Fast 2-4 Day Shipping Order Status Get Support Electrical wiring diagram for a Troy Built 42" Bronco ... 2008 Bronco Model 13AV60KG011 Trying to locate the under seat safety switch and part NO. Being an MTD product, the seat switch is mouted to a seat bracket. In your case it is the left seat bracket #32. The parts are items #33 through #37. See attached pictures of the seat and parts lists. Troy-Bilt Parts Diagrams This is the most current part for this model. Previous part number. . , A newer part has replaced this item. The latest part that replaces this item is: . , Change Brand New Search. Chapters for. Troy-Bilt. Troy bilt 13an77tg766, need key switch color code wire ... Troy built 13an77tg766, need key switch color code wire diagram??,, Kohler courage 20HP on Troy Bilt horse won't key start. kohler courage 20HP on Troy Bilt horse won't key start. Battery new & charged to 14 Volts. … read more. Troy built gcv 190 wot start.

Diagram Besides Troy Bilt Super Bronco Deck Belt Diagram ... Troy Bilt 13Wv78Ks011 Bronco (2015) Parts Diagram For Wiring Schematic - Troy Bilt Bronco Wiring Diagram Wiring Diagram will come with numerous easy to follow Wiring Diagram Directions. It's supposed to assist each of the common person in building a correct system. These directions will probably be easy to grasp and apply. Troy Bilt Bronco 13av60kg011 Wiring Diagram - schematron.org troy bilt 13av60kg troy . The Bronco lawn tractor made by Troy-Bilt has a fuse installed inside the wiring harness. The amp fuse prevents excessive amperage from damaging its.Need to fix your 13AV60KG () Bronco? We have parts, diagrams, accessories and repair advice to make your tool repairs easy. Maintenance Schedule Before Each Use. Troy-Bilt Riding Lawn Mower - Model 13AV60KG066 | Troy-Bilt US Riding Mower 42-inch Deck Belt. Item#: 954-04045. $54.99. Free Shipping on Parts*. Add to Cart. In Stock. Quickview. Wiring Diagram For Troy Bilt Pony Riding Mower - Wiring ... troy bilt 13wn77ks011 pony 2013 parts diagram for wiring schematic 13103 13 5hp ltx hydro lawn tractor s n 131030100101 tractors horse xp 46 13ax79kt309 2015 spareparts tb automatic 13al78kt309 13wx79kt011 2011 13an689g766 2004 electrical operator manual pdf manualslib 13an77ks211 lookup with diagrams partstree 13076 20hp garden 130760100101 …

Troy Bilt Mower Wiring Diagram - IOT Wiring Diagram troy bilt 13yx78ks011 bronco 2018 wiring schematic 13wn77ks011 pony parts diagram for lawn tractors horse xp 46 13ax79kt309 spareparts tb automatic 13al78kt309 13wx79kt011 2011 13a 145f063 14hp hydrostatic ltx tractor 13101 hydro gtx garden sn 131010100101 above lookup with diagrams partstree 13a279ks066 super 13al78kt066 17afcacp011 mustang 50 … Troy Bilt Pony Mower Wiring Diagram - justussocializing.org Troy Bilt Pony Mower Wiring Diagram - One of the most difficult automotive fix tasks that a mechanic or fix shop can acknowledge is the wiring, or rewiring of a car's electrical system.The hardship in fact is that every car is different. subsequent to bothersome to remove, replace or fix the wiring in an automobile, having an accurate and detailed Troy Bilt Pony Mower Wiring Diagram is ... Troy Bilt Super Bronco Wiring Diagram complete exploded views of all the major manufacturers.troy bilt electrical wiring diagrams ~ you are welcome to our site, this is images about troy bilt electrical wiring diagrams posted by ella brouillard in troy category on nov 14, you can also find other images like wiring diagram, parts diagram, replacement parts, electrical diagram, repair … Troy bilt bronco drive belt diagram Complete exploded views of all the major manufacturers. Troy Bilt 13WX78KS Bronco Drive Transmission Parts Diagram. Troy Bilt Super Bronco replacing upper drive belt 954-0468 and lower drive belt 954-0467954-0468. Each part ought to be set and linked to other parts in particular manner.

25 ideas de Diagrama eléctrico de tractores | tractor ...

25 ideas de Diagrama eléctrico de tractores | tractor ...

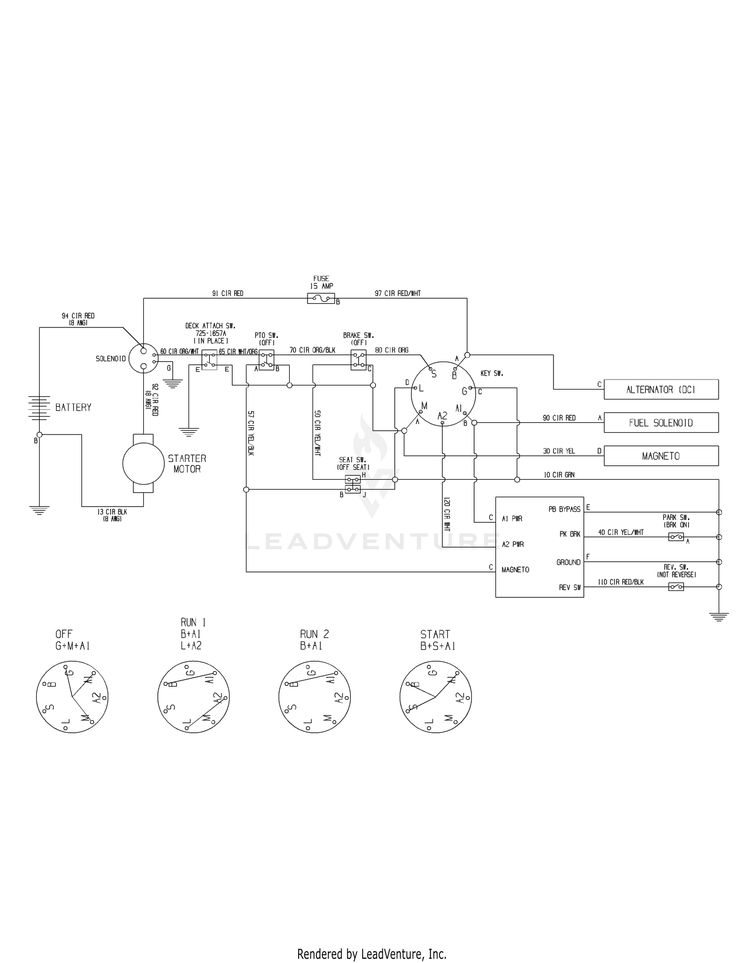
Wiring Diagram For Troy Bilt Bronco Wiring Diagram For Troy Bilt Bronco Displaying Wiring Schematic parts for the Troy-Bilt TB42 (13WV78KS) - Troy- Bilt Bronco Lawn Tractor (). Browse all parts by section for this model. The Bronco lawn tractor made by Troy-Bilt has a fuse installed inside the wiring harness. The amp fuse prevents excessive amperage from damaging its.

Troy Bilt 13WX78KS011 Bronco (2012) Parts Diagram for Wiring ...

Troy Bilt 13WX78KS011 Bronco (2012) Parts Diagram for Wiring ...

Troy Bilt Bronco Riding Mower Belt Diagram - Wiring Diagrams Troy Bilt 13WX78KS Bronco () Drive & Transmission Parts Diagram . PLUG DECK HOLE 7/8 $ 36 A Upper Drive Belt. Troy Bilt 13WX78KS Bronco () Mower Deck Inch Exploded View parts lookup by model. Complete exploded views of all the major manufacturers.13WX78KS drive belts diagram.

13A279KS066 - Troy-Bilt Super Bronco Lawn Tractor (2013 ...

13A279KS066 - Troy-Bilt Super Bronco Lawn Tractor (2013 ...

ARIMain - WEINGARTZ Find parts for your troy-bilt wiring schematic with our free parts lookup tool! Search easy-to-use diagrams and enjoy same-day shipping on standard Troy-Bilt parts orders. 855-669-7278 ... Troy-Bilt 13YX78KS011 Bronco (2013) Wiring Schematic Zoom Image Tag Part # Description ...

Troy-Bilt 13YX78KS011 - Troy-Bilt Bronco Lawn Tractor (2013 ...

Troy-Bilt 13YX78KS011 - Troy-Bilt Bronco Lawn Tractor (2013 ...

Where can I get a wiring diagram for a Troy-Bilt ... Where can I get a wiring diagram for a Troy-Bilt 13AV60KG011 Bronco (2009. Or where is the 20 amp fuse? I crossed the battery cables and it went pffft! No smoke or burning smell. Manual says 20 amp fuse behind dash on support bar but I can't find a fuse there or in wiring.

Troy Bilt 13WQ93KP011 Super Bronco (2014) Parts Diagram for ...

Troy Bilt 13WQ93KP011 Super Bronco (2014) Parts Diagram for ...

Troy Bilt Bronco Wiring Diagram Troy Bilt Bronco Wiring Diagram. Each part ought to be set and linked to different parts in specific way. Troy bilt 13a279ks066 super bronco 2018 parts diagram for wiring schematic. ... Electrical wiring diagram for a troy built 42 bronco riding mower. Complete exploded views of all the major manufacturers. Source: ...

WIRING DIAGRAM Diagram & Parts List for Model 13AP609G063 ...

WIRING DIAGRAM Diagram & Parts List for Model 13AP609G063 ...

Troy-Bilt Operator's Manuals & Illustrated Parts Diagrams To download a FREE copy of a Troy-Bilt Operator's Manual. Have your Model & Serial Number from the Model & Serial Number Tag handy; Click on this FREE Operator's Manual download site link; See Professional Shop Manuals to download free Professional Shop Service & Repair Manuals . IMPORTANT: See Garden Way Inc. Manufactured Chippers & Debris Removal Equipment Information for Troy-Bilt chipping ...

Diagram And/or PartsList 04164 1 Troy Bilt Parts Manual ...

Diagram And/or PartsList 04164 1 Troy Bilt Parts Manual ...

Electrical Wiring Diagrams - Troy-Bilt Solution Electrical wiring diagrams may be found in the Operator's Manual. More in-depth electrical troubleshooting information may also be found in the Professional Shop Manual for the product. For electrical diagrams for specific engines and independent brands, see below.

13WX78KS011 - Troy-Bilt Bronco Lawn Tractor (2011) Parts ...

13WX78KS011 - Troy-Bilt Bronco Lawn Tractor (2011) Parts ...

PDF Troy Bilt Bronco Manual - cropover.nationnews.com Troy-Bilt Operator's Manuals & Illustrated Parts Diagrams troy bilt bronco wiring diagram - You will need an extensive, expert, and easy to comprehend Wiring Diagram. With this kind of an illustrative manual, you are going to have the ability to troubleshoot, prevent, and complete your tasks without difficulty.

Troy-Bilt 13AJ609G766 Bronco '04 Lawn Tractor | PartsWarehouse

Troy-Bilt 13AJ609G766 Bronco '04 Lawn Tractor | PartsWarehouse

Troy-bilt Super Bronco Wiring Diagram wiringall.com - Order Genuine Troy-Bilt Parts for the Troy-Bilt 13AKS Super Bronco () Mowers: lawn & garden tractor. Easy Ordering, Fast Shipping.Troy Bilt Super Bronco Wiring Diagram - Nov 09, · wiring diagram for troy-bilt model 13ax60tg - Troy-Bilt Heavy Machinery question.

Troy-Bilt Garden Tractor | 14AY809P063 | eReplacementParts.com

Troy-Bilt Garden Tractor | 14AY809P063 | eReplacementParts.com

Troy Bilt Riding Mower Drive Belt Diagram - Diagram Niche ... Troy Bilt Super Bronco Riding Mower Riding Mower Mower Troy, How To Replace The Drive Belts On A Troy Bilt Yard Machine 7 Speed Riding Mower With Taryl, Troy Bilt 13wx78ks011 Bronco 2011 Parts Diagram For Drive, How To Replace Drive Belt On Mtd Yard Machine Riding Mower, I Have Troy Bilt Lawn Tractor Bronco How Do I Replace The, Mk 6912 Wiring Diagram Troy Bilt 13an689g766 Download Diagram ...

13AJ609G766 - Troy-Bilt Bronco Lawn Tractor (2004) Parts ...

13AJ609G766 - Troy-Bilt Bronco Lawn Tractor (2004) Parts ...

Tiller Wiring Diagram | Wiring Diagram - Troy Bilt Bronco ... Troy Bilt 13Wv78Ks011 Bronco (2015) Parts Diagram For Wiring Schematic - Troy Bilt Bronco Wiring Diagram Wiring Diagram includes several in depth illustrations that display the link of varied things. It consists of directions and diagrams for different kinds of wiring techniques as well as other products like lights, home windows, and so on.

Troy-Bilt 13066 16HP HYDRO SUBURBAN TRACTOR (S/N 130660100101 ...

Troy-Bilt 13066 16HP HYDRO SUBURBAN TRACTOR (S/N 130660100101 ...

Troy Bilt 13Wv78Ks011 Bronco (2015) Parts Diagram For ... There are two things which are going to be present in any Troy Bilt Bronco Wiring Diagram. The first element is symbol that indicate electrical component in the circuit. A circuit is generally composed by several components. The other thing which you will get a circuit diagram could be traces.

Troy-Bilt Bronco - Replace Kohler 20 with Briggs Powerbuilt ...

Troy-Bilt Bronco - Replace Kohler 20 with Briggs Powerbuilt ...

Troy Bilt Bronco Riding Mower Belt Diagram Step 1: Turn the mower off and make sure . Need to fix your 13WX78KS (Bronco) () Lawn Tractor? We have parts, diagrams, accessories and repair advice to make your tool repairs easy. Place the new belt over the sheaves (pulleys and tensioners) according to your mower's routing diagram. Begin with the placing the belt over the engine pulley.

Troy-Bilt Parts Lookup -13WV78KS011 Bronco (2015)

Troy-Bilt Parts Lookup -13WV78KS011 Bronco (2015)

All Wiring Diagrams for Ford Explorer 1991 – Wiring diagrams ...

All Wiring Diagrams for Ford Explorer 1991 – Wiring diagrams ...

Troy-Bilt 13WV78KS011 Bronco '15 Lawn Tractor | PartsWarehouse

Troy-Bilt 13WV78KS011 Bronco '15 Lawn Tractor | PartsWarehouse

Troy-Bilt 13WV78KS011 - Troy-Bilt Bronco Lawn Tractor (2014 ...

Troy-Bilt 13WV78KS011 - Troy-Bilt Bronco Lawn Tractor (2014 ...

Troy-Bilt 13102 13HP Gear Drive LTX Tractor (S/N 131021300101 ...

Troy-Bilt 13102 13HP Gear Drive LTX Tractor (S/N 131021300101 ...

Troy-Bilt Lawn tractors TB 46 Automatic 13AL78KT309 (2015 ...

Troy-Bilt Lawn tractors TB 46 Automatic 13AL78KT309 (2015 ...

Troy Bilt 13AV60KG011 Bronco (2008) Parts Diagrams

Troy Bilt 13AV60KG011 Bronco (2008) Parts Diagrams

Troy-Bilt 13AJ609G766 Bronco '04 Lawn Tractor | PartsWarehouse

Troy-Bilt 13AJ609G766 Bronco '04 Lawn Tractor | PartsWarehouse

Troy Bilt 13WV78KS011 Bronco (2014) Parts Diagram for Wiring ...

Troy Bilt 13WV78KS011 Bronco (2014) Parts Diagram for Wiring ...

Troy-Bilt 13WX79KT011 Horse XP (2011) Wiring Diagram | Shank& ...

Troy-Bilt 13WX79KT011 Horse XP (2011) Wiring Diagram | Shank& ...

Noobie with a Troy Bilt Pony. | My Lawnmower Forum

Noobie with a Troy Bilt Pony. | My Lawnmower Forum

Troy Bilt 13WV78KS011 Bronco (2015) Parts Diagram for Wiring ...

Troy Bilt 13WV78KS011 Bronco (2015) Parts Diagram for Wiring ...

How to Replace Lawn Mower Solenoids, With Wiring Diagram

How to Replace Lawn Mower Solenoids, With Wiring Diagram

Troy Bilt Pony Starter Solenoid Location Flash Sales, UP TO ...

Troy Bilt Pony Starter Solenoid Location Flash Sales, UP TO ...

Troy-Bilt 13B226JD066 TB30 (2015) TB30R Neighborhood Rider ...

Troy-Bilt 13B226JD066 TB30 (2015) TB30R Neighborhood Rider ...

Troy Bilt 13076 20HP HYDRO GARDEN TRACTOR (S/N 130760100101 ...

Troy Bilt 13076 20HP HYDRO GARDEN TRACTOR (S/N 130760100101 ...

Troybuilt Riding Mower Won't Start - DoItYourself.com ...

Troybuilt Riding Mower Won't Start - DoItYourself.com ...

Troy Bilt 13WN77KS011 Pony (2013) Parts Diagram for Wiring ...

Troy Bilt 13WN77KS011 Pony (2013) Parts Diagram for Wiring ...

13AL78BT066 - Troy-Bilt Bronco 46

13AL78BT066 - Troy-Bilt Bronco 46" Lawn Tractor, Auto (2018 ...

Troy-Bilt 13B226JD066 (2014) TB30 R Neighborhood Rider ...

Troy-Bilt 13B226JD066 (2014) TB30 R Neighborhood Rider ...

Disabling the Reverse Safety Feature on 2010 Troy Bilt Pony

Disabling the Reverse Safety Feature on 2010 Troy Bilt Pony

Replacing a Starter Solenoid on a Riding Lawn Mower

Replacing a Starter Solenoid on a Riding Lawn Mower

Belt For Troy Bilt Pony Riding Mower Online Sales, UP TO 59 ...

Belt For Troy Bilt Pony Riding Mower Online Sales, UP TO 59 ...

All Wiring Diagrams for Porsche 911 Carrera S 1998 – Wiring ...

All Wiring Diagrams for Porsche 911 Carrera S 1998 – Wiring ...

Solenoid overheating ??? - The CJ2A Page Forums

Solenoid overheating ??? - The CJ2A Page Forums

Troy-Bilt 13101 16HP GTX HYDRO GARDEN TRACTOR (S/N ...

Troy-Bilt 13101 16HP GTX HYDRO GARDEN TRACTOR (S/N ...

Troy-Bilt 13A277KS066 TB42 7-Speed (2015) Wiring Schematic ...

Troy-Bilt 13A277KS066 TB42 7-Speed (2015) Wiring Schematic ...

Comments

Popular posts from this blog

43 diagram of sheep brain

41 irrigation controller wiring diagram

38 dna replication fork diagram labeled