Skip to main content

42 kenmore sewing machine tension assembly diagram

› questions › 1100646I need a tension assembly diagram for a kenmore sewing ... There also are some position adjustments that have to be done. This tension assembly is normally purchased as completely assembled. You might consider wanting to order a replacement upper tension assemble to make it simpler and less frustrating. Thank you for using Manage My Life. by Sam A Earned 26,938 community points in Kenmore How To Fix Your Single Unit Tension Assembly - Sewing ... The little wire spring on the unit similar to one in the picture seems to be upside-down on my Kenmore machine. I didn't get a manual for it so I didn't know how to include it in the threading of the machine. I took the whole tension assembly apart and cleaned it. ... early not to be afraid of a sewing machine and how to handle tension ...

› model › 3w4xjc6d0c-000582Kenmore 1581345381 mechanical sewing machine parts | Sears ... Here are the diagrams and repair parts for Kenmore 1581345381 sewing machine, as well as links to manuals and error code tables, if available. There are a couple of ways to find the part or diagram you need: Click a diagram to see the parts shown on that diagram. In the search box below, enter all or part of the part number or the part's name.

Kenmore sewing machine tension assembly diagram

Kenmore sewing machine tension assembly diagram

EOF Remove, clean, adjust tension assembly on Kenmore sewing ... Come see all the gorgeous restored sewing machines at: to service the tension assembly on late 1960s, early 1970s Kenmore ... schematron.org › kenmore-sewing-machine-tensionKenmore Sewing Machine Tension Assembly Diagram Mar 10, 2018 · Kenmore Part – Tension Assembly - Pristine. Kenmore Sewing Machine Parts We carry replacement parts, repair parts and accessories for You depend on your Kenmore sewing machine for hobby projects, to mend clothing and to create unique items for gifts. Parts Diagram For Craftsman 24" Snow Thrower Click to Chat We're available to chat.

Kenmore sewing machine tension assembly diagram. Kenmore 38518230790 sewing machine parts | Sears PartsDirect Here are the diagrams and repair parts for Kenmore 38518230790 sewing machine, as well as links to manuals and error code tables, if available. There are a couple of ways to find the part or diagram you need: Click a diagram to see the parts shown on that diagram. In the search box below, enter all or part of the part number or the part's name. How to Adjust the Tension on a Kenmore Sewing Machine ... Sometimes, the inner parts need to be oiled or the entire machine might need to be cleaned and calibrated by a professional. If you sew a great deal or if your machine sits idle a lot, both situations will usually require some servicing to keep your Kenmore sewing machine and its tension in perfect working condition. Tip. I need a tension assembly diagram for a kenmore sewing ... I need a tension assembly diagram for a kenmore sewing machine 158.16250. I have all parts but need to know how to put it back together + Add Details. 2 Answers. ... I have a Kenmore 385.15516000 sewing machine. the tension needs help - the top thread holds straight no matter what number the tension dial is at. 1 answer. Web Development Services - Web Development Company | Logo ... Your business website represents your brand. Therefore, its functional efficiency is important for your market reputation. Our web development services helps you to develop websites that comply with current industry standards, providing a seamless experience to your end-users.. Our web developers create high-performing websites using state-of-art website development practices.

caps-academy.com › best-kenmore-sewing-machine10 Best Kenmore Sewing Machine Tension Assembly Diagram In ... Mar 24, 2022 · wow!!! these were our amazing recommended products on the list of perfect kenmore sewing machine tension assembly diagram you can get online. As you wish, the hard-earned money should spend wisely, we have been working for a long time on this list with extensive research and review to help you get the perfect product in between your hands. well! you can choose accordingly by comparing the ... Sewing Machine Tension Guide - Numbers, Chart & Problems Adjusting the tension on sewing machine bobbin is a three-step process that goes like this: Step 1. Find The Screw For Tension Settings. Bobbin tension (otherwise called bottom tension) is usually set at a factory for all standard sewing threads. You would not need any adjustment for a greater part of your journey. Sewing Machine Tension Assembly 2 Types - YouTube In this video you will see how does thread tensioner work and its parts and how disassemble a Thread Tensioner. Want to know what is a tension assembly? Watc... wiringall.com › kenmore-sewing-machine-tensionKenmore Sewing Machine Tension Assembly Diagram Kenmore Sewing Machine Parts We carry replacement parts, repair parts and accessories for You depend on your Kenmore sewing machine for hobby projects, to mend clothing and to create unique items for gifts. Parts Diagram For Craftsman 24" Snow Thrower Click to Chat We're available to chat. I need a tension assembly diagram for a kenmore sewing ...

Do you have a diagram of the thread tension assembly for ... Oct 11, 2010 — Do you have a diagram of the thread tension assembly for ... /part-model/Kenmore-Parts/Sewing-machine-Parts/Model-15813160/0582/1220000?1 answer · Here are some diagrams I found for your model: ... PDF OWNER'S MANUAL - Sears Parts Direct Kenmore Sewing, Machine Record in space provided below the model number and serial number of this appliance. The model number and serial number are located on the nomenclature plate, as identified on Page 4 of this booklet. Model No. 385. Serial No, Retain these numbers for future reterence. THIS MODEL 1SA CENTER NEEDLE, LOW BAR SEWING MACHINE. PDF Kenmore 385.15218400 Sewing Machine ... - Sewing Parts Online sewing machine div. 20 model 385. 15218400 mechanical adjustment top tension to check: the standard upper thread tension should be 65 -95g when pulling the thread (cotton thread #50) in the direction of (b) with setting the tension dial at "3". (make sure the foot should be lowered.) if the tension is out of the standard range, adjust it as ... shapovmusic.com › how-to-adjust-tension-on-kenmorehow to adjust tension on kenmore sewing machine - shapovmusic.com Using a sewing machine entails knowing how to the tension knob properly. This sewing how-to video demonstrates how to properly adjust the tension knob on a vintage Kenmore sewing machine. The tension knob is located near the front of the sewing machine. It has a dial numbered from 1 to 9. What number should the tension be on a sewing machine?

Kenmore 158.13040 - 158.13041 Sewing Machine Manual

Kenmore 158.13040 - 158.13041 Sewing Machine Manual

Drupal - Open Source CMS | Drupal.org diff --git a/core/assets/vendor/zxcvbn/zxcvbn-async.js b/core/assets/vendor/zxcvbn/zxcvbn-async.js new file mode 100644 index 0000000..404944d --- /dev/null +++ b ...

Tension Regulator Sewing Machine Parts & Attachments for ...

Tension Regulator Sewing Machine Parts & Attachments for ...

schematron.org › kenmore-sewing-machine-tensionKenmore Sewing Machine Tension Assembly Diagram Mar 10, 2018 · Kenmore Part – Tension Assembly - Pristine. Kenmore Sewing Machine Parts We carry replacement parts, repair parts and accessories for You depend on your Kenmore sewing machine for hobby projects, to mend clothing and to create unique items for gifts. Parts Diagram For Craftsman 24" Snow Thrower Click to Chat We're available to chat.

Understanding Thread Tension on Your Sewing Machine

Understanding Thread Tension on Your Sewing Machine

Remove, clean, adjust tension assembly on Kenmore sewing ... Come see all the gorgeous restored sewing machines at: to service the tension assembly on late 1960s, early 1970s Kenmore ...

Help with Kenmore 158 tension assembly - Quiltingboard Forums

Help with Kenmore 158 tension assembly - Quiltingboard Forums

EOF

Kenmore 158.950 Sewing Machine Instruction Manual

Kenmore 158.950 Sewing Machine Instruction Manual

Kenmore 158.470 Sewing Machine Instruction Manual | Sewing ...

Kenmore 158.470 Sewing Machine Instruction Manual | Sewing ...

TENSION ASSEMBLY Complete JCPenny 6984 Kenmore 158.19412 ...

TENSION ASSEMBLY Complete JCPenny 6984 Kenmore 158.19412 ...

Kenmore 158.11101 - 158.1110180 Sewing Machine Manual

Kenmore 158.11101 - 158.1110180 Sewing Machine Manual

How To Properly Thread The Tensioner On An Old Kenmore Ultra Stitch 8  Sewing Machine

How To Properly Thread The Tensioner On An Old Kenmore Ultra Stitch 8 Sewing Machine

Upper Tension, White #MO-60

Upper Tension, White #MO-60

How to Use the tension knob on a Kenmore sewing machine ...

How to Use the tension knob on a Kenmore sewing machine ...

Vintage Original Kenmore Upper Thread Tension Assembly Fits Model 148.19370

Vintage Original Kenmore Upper Thread Tension Assembly Fits Model 148.19370

How To Fix Your Single Unit Tension Assembly - Sewing Parts ...

How To Fix Your Single Unit Tension Assembly - Sewing Parts ...

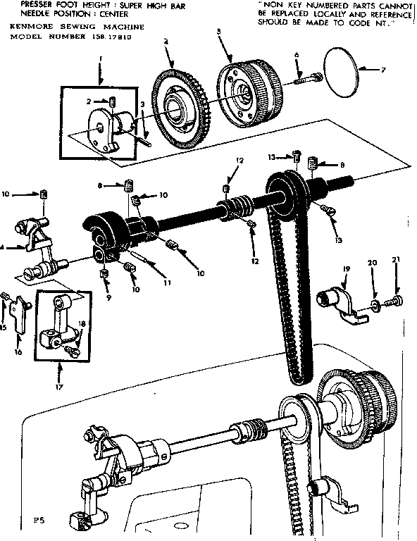
Kenmore 15817810 sewing machine parts | Sears PartsDirect

Kenmore 15817810 sewing machine parts | Sears PartsDirect

My Sewing Machine Obsession: Kenmore 158 tension assembly

My Sewing Machine Obsession: Kenmore 158 tension assembly

Singer Upper Tension Assembly Fits Models 337, 338, 347, 348, 350, 360,  362, 413, 418, 457, 513, 533, 534, 543

Singer Upper Tension Assembly Fits Models 337, 338, 347, 348, 350, 360, 362, 413, 418, 457, 513, 533, 534, 543

Page 10 of Kenmore Sewing Machine 385. 17624 User Guide ...

Page 10 of Kenmore Sewing Machine 385. 17624 User Guide ...

New Kenmore Sewing Machine 158 Series Thread Tension Assembly Short Pin

New Kenmore Sewing Machine 158 Series Thread Tension Assembly Short Pin

Kenmore 158.16410 Sewing Machine Instruction Manual | Sewing ...

Kenmore 158.16410 Sewing Machine Instruction Manual | Sewing ...

How Disassemble a Thread Tensioner | Sewing Machine Parts

How Disassemble a Thread Tensioner | Sewing Machine Parts

Helpful Images | Stitch Nerd

Helpful Images | Stitch Nerd

Kenmore 158.480 - 158.481 Sewing Machine Instruction Manual

Kenmore 158.480 - 158.481 Sewing Machine Instruction Manual

Kenmore 3851584180 mechanical sewing machine parts | Sears ...

Kenmore 3851584180 mechanical sewing machine parts | Sears ...

Tension-DP60683

Tension-DP60683

My Sewing Machine Obsession: Kenmore 158 tension assembly

My Sewing Machine Obsession: Kenmore 158 tension assembly

A Tutorial – Kenmore Upper Tension Assembly… How to ...

A Tutorial – Kenmore Upper Tension Assembly… How to ...

Kenmore 3851584180 mechanical sewing machine parts | Sears ...

Kenmore 3851584180 mechanical sewing machine parts | Sears ...

How Disassemble a Thread Tensioner | Sewing Machine Parts

How Disassemble a Thread Tensioner | Sewing Machine Parts

Remove, clean, adjust tension assembly on Kenmore sewing ...

Remove, clean, adjust tension assembly on Kenmore sewing ...

How to Adjust the Tension on a Kenmore Sewing Machine | eHow

How to Adjust the Tension on a Kenmore Sewing Machine | eHow

Kenmore Sewing Machine Troubleshooting and Repair Guide

Kenmore Sewing Machine Troubleshooting and Repair Guide

How to Easily Adjust Sewing Machine Tension

How to Easily Adjust Sewing Machine Tension

Singer Sewing Machine Tension Assembly

Singer Sewing Machine Tension Assembly

A Tutorial – Kenmore Upper Tension Assembly… How to ...

A Tutorial – Kenmore Upper Tension Assembly… How to ...

53 Naaimasjien ideas | sewing machine repair, sewing hacks ...

53 Naaimasjien ideas | sewing machine repair, sewing hacks ...

Kenmore Model 29 Instruction Book - mrsewing

Kenmore Model 29 Instruction Book - mrsewing

Understanding Thread Tension on Your Sewing Machine

Understanding Thread Tension on Your Sewing Machine

A Tutorial – Kenmore Upper Tension Assembly… How to ...

A Tutorial – Kenmore Upper Tension Assembly… How to ...

Remove, clean, adjust tension assembly on Kenmore sewing machine

Remove, clean, adjust tension assembly on Kenmore sewing machine

A Tutorial – Kenmore Upper Tension Assembly… How to ...

A Tutorial – Kenmore Upper Tension Assembly… How to ...

Tension-DP60683

Tension-DP60683

Kenmore Thread Tension & Parts – Central Michigan Sewing ...

Kenmore Thread Tension & Parts – Central Michigan Sewing ...

Comments

Popular posts from this blog

43 diagram of sheep brain

41 irrigation controller wiring diagram

38 dna replication fork diagram labeled