43 john deere x320 belt diagram

30 Aug 2009 — I need to replace my mower deck belt on a john deere x320, 48" deck. It came off and I do not know how to route the belt. The manual does not ... Aug 10, 2009 · I have a John Deere G100 garden tractor that I purchased new in 2005 for almost $5,000. I had John Deere replace the K66 transaxle on it for over $2,000. It went out on me 2 more times since then. I have rebuilt it myself the last 2 times by ordering the parts online from Tuff Torq in Tennessee. Great customer service and advice.

John Deere Material Collection System BUC11233Replaces previous part number BM21679. The 7-bushel hopper provides an efficient means of collecting grass clippings and leaves using either the cut-and-throw rear bagger or the Power Flow material collection system (MCS). Chute and/or blower not included The hopper design provides modern styling, great bagging performance, cleaner operation, and ...

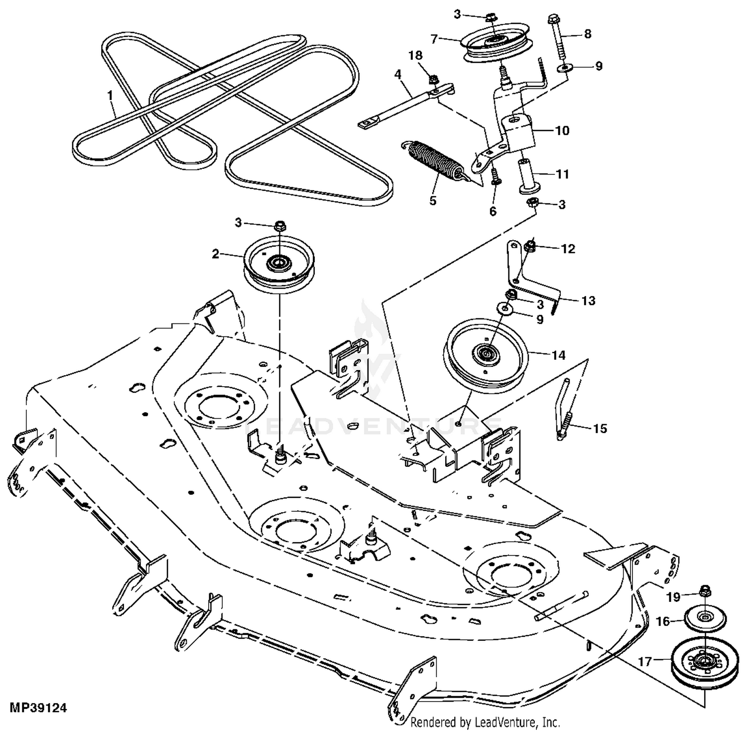
John deere x320 belt diagram

John deere x320 belt diagram

John Deere Lawn Tractor Hood M152313Cracked, faded or missing hood? We have you covered. Genuine JD part in heavy duty plastic construction. This is a BIG part that has oversize package shipping charges! This item can only be shipped in the contiguous United States. Any order outside of that area will be cancelled. Decals and grille sold separately. This John Deere M152313 hood fits the ... Sep 30, 2021 · N. Korea's parliamentary session. This photo, released by North Korea's official Korean Central News Agency on Sept. 30, 2021, shows Kim Song-nam, director of the International Department of the ruling Workers' Party's Central Committee, who was elected as a member of the State Affairs Commission, the country's highest decision-making body, during the second day of a session of the Supreme ... Click to get the latest Movies content. Sign up for your weekly dose of feel-good entertainment and movie content!

John deere x320 belt diagram. A single timing belt was used to drive the four camshafts – it consisted of a strong and inflexible core wire, wear-resistant canvas and heat-resistant rubber material. For quiet operation, the teeth on the timing belt had a round profile. The EJ205 cylinder head had four valves per cylinder that were actuated by solid valve lifters. Hollywood.com | Feel-Good Entertainment & Movie News Click to get the latest Movies content. Sign up for your weekly dose of feel-good entertainment and movie content! Sep 30, 2021 · N. Korea's parliamentary session. This photo, released by North Korea's official Korean Central News Agency on Sept. 30, 2021, shows Kim Song-nam, director of the International Department of the ruling Workers' Party's Central Committee, who was elected as a member of the State Affairs Commission, the country's highest decision-making body, during the second day of a session of the Supreme ...

John Deere Lawn Tractor Hood M152313Cracked, faded or missing hood? We have you covered. Genuine JD part in heavy duty plastic construction. This is a BIG part that has oversize package shipping charges! This item can only be shipped in the contiguous United States. Any order outside of that area will be cancelled. Decals and grille sold separately. This John Deere M152313 hood fits the ...

John Deere GX21833 48-in Deck/Drive Belt for Riding Mower ...

John Deere GX21833 48-in Deck/Drive Belt for Riding Mower ...

Belt and Idler Set for John Deere X300 X304 X310 X320 X324 X330 X340 X350  X354 | eBay

Belt and Idler Set for John Deere X300 X304 X310 X320 X324 X330 X340 X350 X354 | eBay

How To Replace Deck Belt John Deere X320 Riding Mower BELT FOR MOWER BLADES  KEEPS COMING OFF M154958

How To Replace Deck Belt John Deere X320 Riding Mower BELT FOR MOWER BLADES KEEPS COMING OFF M154958

John Deere X320 Deck Belt | Shop www.spora.ws

John Deere X320 Deck Belt | Shop www.spora.ws

John Deere X540 Engine Manuals - generousthat

John Deere X540 Engine Manuals - generousthat

John Deere X320 (Deck 48

John Deere X320 (Deck 48" Secondary) Riding Lawn Mower Replacement Belt

M153160 John Deere X320 (Deck 42M) Aftermarket belt

M153160 John Deere X320 (Deck 42M) Aftermarket belt

John Deere commercial decks by crigby

John Deere commercial decks by crigby

John Deere X320 Deck Belt | Online www.spora.ws

John Deere X320 Deck Belt | Online www.spora.ws

SOLVED: I am needing a diagram to replace belt on John - Fixya

SOLVED: I am needing a diagram to replace belt on John - Fixya

Amazon.com : SureFit Deck Drive Belt 66 1/2'' Replacement for ...

Amazon.com : SureFit Deck Drive Belt 66 1/2'' Replacement for ...

Pin on Products

Pin on Products

Buy John Deere OEM M154958 Secondary Deck Drive Belt Fits ...

Buy John Deere OEM M154958 Secondary Deck Drive Belt Fits ...

Mower Deck Drive Belt for X300 or X500 series with 42

Mower Deck Drive Belt for X300 or X500 series with 42" Mulch ...

John Deere RX75

John Deere RX75

John Deere X320 Deck Belt | Online www.spora.ws

John Deere X320 Deck Belt | Online www.spora.ws

Pulley 22-982 belt guide groove V JOHN DEERE X300 X304 X320 ...

Pulley 22-982 belt guide groove V JOHN DEERE X300 X304 X320 ...

M146479 John Deere X320 (Powerflow Drive 54

M146479 John Deere X320 (Powerflow Drive 54" Deck) Aftermarket belt

SOLVED: Diagram for John Deere 105 belt - Fixya

SOLVED: Diagram for John Deere 105 belt - Fixya

M154897 Deck Drive Belt Replacement for John Deere X320 ...

M154897 Deck Drive Belt Replacement for John Deere X320 ...

Replaces OEM John Deere M154601Fits Models John Deere X300, X320, X340 and  X360 lawn tractors with 38

Replaces OEM John Deere M154601Fits Models John Deere X300, X320, X340 and X360 lawn tractors with 38" deck Length 143 1/2" Width 1/2" Replacement ...

Amazon.com : TadaMark Replacement Lawn Mower 42

Amazon.com : TadaMark Replacement Lawn Mower 42" 48" Deck ...

JOHN DEERE X320 X324 X500 X520 X534 48

JOHN DEERE X320 X324 X500 X520 X534 48" Edge Lawn Mower Deck ...

easy steps how to change john deer lawnmower deck belt - YouTube

easy steps how to change john deer lawnmower deck belt - YouTube

E110 mower belt slips. | Green Tractor Talk

E110 mower belt slips. | Green Tractor Talk

John Deere Complete 54C/54X Shaft Driven Mower Deck Assembly ...

John Deere Complete 54C/54X Shaft Driven Mower Deck Assembly ...

Belt digram for john deere 261 grooming mower - Fixya

Belt digram for john deere 261 grooming mower - Fixya

Belt Tension Extension Spring for John Deere X320 | My ...

Belt Tension Extension Spring for John Deere X320 | My ...

Replacement (DUNLOP) John Deere M153160 Deck Belt X300 / X304 / X320 / X340  / X500 / X520 / 540

Replacement (DUNLOP) John Deere M153160 Deck Belt X300 / X304 / X320 / X340 / X500 / X520 / 540

Help Replacing X320 Drivetrain Belt | My Tractor Forum

Help Replacing X320 Drivetrain Belt | My Tractor Forum

John Deere X320 Deck | Store www.spora.ws

John Deere X320 Deck | Store www.spora.ws

Primary Deck Drive Belt For Select Series with 48

Primary Deck Drive Belt For Select Series with 48" Deck ...

SureFit Drive Belt Replacement for John Deere M144044 LT150 LT160 LT180  X300 X304 X320 X324 X340 X350 X360

SureFit Drive Belt Replacement for John Deere M144044 LT150 LT160 LT180 X300 X304 X320 X324 X340 X350 X360

John Deere Snowblowers, 44 inch ( X300, X304, X310, X320 ...

John Deere Snowblowers, 44 inch ( X300, X304, X310, X320 ...

John Deere X320 Tractor Select Series 48 inch Mower Deck W ...

John Deere X320 Tractor Select Series 48 inch Mower Deck W ...

John Deere decks by crigby

John Deere decks by crigby

Change Mower Deck Belt for John Deere x300 310 350 etc

Change Mower Deck Belt for John Deere x300 310 350 etc

John Deere X320 Tractor Select Series (Less Deck) (California ...

John Deere X320 Tractor Select Series (Less Deck) (California ...

John Deere X320 Tractor Select Series (Less Deck) (Export ...

John Deere X320 Tractor Select Series (Less Deck) (Export ...

Deck Removal John Deere X320

Deck Removal John Deere X320

Need Help - Belt Rubbing on Mower Deck | Green Tractor Talk

Need Help - Belt Rubbing on Mower Deck | Green Tractor Talk

SOLVED: I am needing a diagram to replace the mower deck - Fixya

SOLVED: I am needing a diagram to replace the mower deck - Fixya

Installing belt assisted bagger onto John Deere 320 (NOT x320 ...

Installing belt assisted bagger onto John Deere 320 (NOT x320 ...

Comments

Popular posts from this blog

43 diagram of sheep brain

41 irrigation controller wiring diagram

38 dna replication fork diagram labeled