38 240z wiring diagram
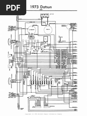
Here you will find scans of the original wiring diagrams for the Datsun 240Z, 260Z, 280Z and 280ZX from 1970 to 1982.. 1970 Datsun 240Z Wiring Diagram. 1971 Datsun 240Z Wiring Diagram. 1972 Datsun 240Z Wiring Diagram. 1973 Datsun 240Z Wiring Diagram Please help! I just bought a 72 240Z I have a lot if work to do. The engine is seized from sitting for years and while I'm patiently waiting for the mystery oil to work I decided to try and figure out why the radio does not work. I removed it today and found it was completely disconnected. There ...
240z coil wiring diagram. Jump to Latest Follow Status Not open for further replies. 1 - 11 of 11 Posts. L. Looper · Registered. Joined Aug 3, 2002 · 25 Posts . Discussion Starter · #1 · Aug 3, 2002. Can anyone help me out?!! ...

240z wiring diagram
1970 Datsun 240z Wiring Diagram. i transcribed the only wiring diagram available for the 1970 model, which was covered in mold and barely legible. now there's a nice clean color version for all those enthusiasts. Datsun 1970 240z 1971 240z 1972 240z 1973 240z Wiper motor conversion wiring diagram page 1/4 240z Life. Datsun 1974 260z 1975 280z wiring diagram for Wiper motor conversion page 2/4 240z Life. Datsun 1976 280z wiring diagram for Wiper motor conversion page 3/4 240z Life. 240z Ignition Switch Wiring. Results 1 - 48 of 62 Datsun Z Z Z Ignition Switch with keys NEW .. DATSUN Z WIRING JUNCTION BLOCK LOCATED NEAR COIL. Page 1. Page 2. Page 1. Page 2. NGK Spark Plug Wires. Classic Z/ZX Parts Home > Ignition / Tune Up Kits > Taylor Spark Plug Wires Taylor Hi-Pro Spark Plug Wires, Black, Z/ZX.
240z wiring diagram. 1972 Datsun 240z Wiring Diagram. Datsun Fairlady Z Z s30 electrical wiring diagram elektrisch bedrading schema. Datsun Fairlady Z Z s30 electrical wiring diagram. Trace the wiring on a wiring diagram ( Z diagram below). As suggested in the Wiring Diagram Datsun Z Service Manual. Datsun Z. de Guide: Datsun S30 Year Guide: , , Color Laminated ... Created Date: 20200103232200Z 240Z, 260Z, 280Z Performance / Technical - colored wiring diagrams - Here are a couple of 260z wiring diagrams i got from AutoZone and colored myself for ... 1972 & 1973 DATSUN 240Z Color Wiring Diagram. $17 95 $17.95. Unit price / per . Shipping calculated at checkout. Diagram Size. 11" X 17" 18" X 24" Add to Cart Complete basic car included (engine bay, interior and exterior lights, under dash harness, starter and ignition circuits, instrumentation, etc) ...
Datsun 240z Wiring Harness. Note: Your mechanic may not have the camber wrench to adjust this kit! See below for the proper wrench. Model Guide: Datsun Z, Z, Z Code Guide. Datsun Z Engine Harness Restored AS NEW. diagramweb.net ebaymotors/DatsunZ-Engine-HarnessRestored-AS-. The Datsun Z wiring design is notorious for it's less than stellar ... 11 Dec 2017 — Hi, Has anyone got a copy of a Aus 71 240Z wiring diagram they could post up or a link? I have searched this forum and the web but not found ... Wiring diagrams back then were hand-drawn and not easily updated. I found various diagrams online ... 240z Wiring Diagram Instead of copying the original ... 240z Ignition Switch Wiring. Results 1 - 48 of 62 Datsun Z Z Z Ignition Switch with keys NEW .. DATSUN Z WIRING JUNCTION BLOCK LOCATED NEAR COIL. Page 1. Page 2. Page 1. Page 2. NGK Spark Plug Wires. Classic Z/ZX Parts Home > Ignition / Tune Up Kits > Taylor Spark Plug Wires Taylor Hi-Pro Spark Plug Wires, Black, Z/ZX.
Datsun 1970 240z 1971 240z 1972 240z 1973 240z Wiper motor conversion wiring diagram page 1/4 240z Life. Datsun 1974 260z 1975 280z wiring diagram for Wiper motor conversion page 2/4 240z Life. Datsun 1976 280z wiring diagram for Wiper motor conversion page 3/4 240z Life. 1970 Datsun 240z Wiring Diagram. i transcribed the only wiring diagram available for the 1970 model, which was covered in mold and barely legible. now there's a nice clean color version for all those enthusiasts.
Comments
Post a Comment